Prallplatte passend für Kleemann SHB 12

Prallplatte passend für Kleemann SHB 12 Prallplatte passend für Kleemann SHB 12


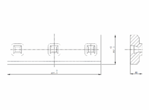
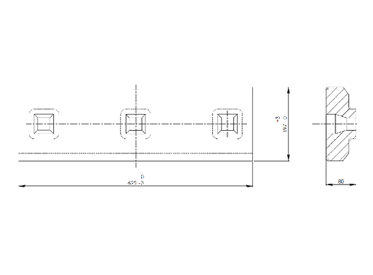
Maschinentyp: Passend für Kleemann SHB 12
Material: Manganstahl
Abmessungen: L: 625 mm, W: 197 mm, T: 60 mm

Prallplatte aus Manganstahl, passend für Kleemann SHB 12 (kein Originalteil) – extrem verschleißfest, schlagzäh und passgenau.

Hochwertige Prallplatte, passend für Kleemann SHB 12 (kein Originalteil), gefertigt aus Manganstahl. Diese Kombination bietet eine herausragende Verschleißfestigkeit und Schlagzähigkeit, ideal für den Einsatz in anspruchsvollen Brechanwendungen. Die Prallplatte gewährleistet eine lange Standzeit und effiziente Zerkleinerung bei gleichzeitig minimalem Wartungsaufwand.

Zuverlässiger Schutz – langlebig, präzise, leistungsstark.

© 2026 PRALL-TEC GmbH · All rights reserved